負圧除塵装置 MDFU-33Z(S)/MDFU-7Z(S)
負圧除塵装置 MDFU-33Z(S)
|
|
超微細な石綿粉塵の発生する解体・補修工事現場などに携わる方々の健康保護と、大気汚染の防止とを第一のテーマに、安心と安全な作業環境の実現に品質と技術でお応えします。 |
特長
●JIS Z8122適合のHEPAフィルタ(0.3μm粒子で99.97%以上)の採用で、捕集効率を大きくアップ。
●単相100V電源で使用可能。
●フィルタの目詰まり状況を検知するためにマノメータを内蔵、交換時期を数値で表示し、メンテナンスを容易にしました。
●コンパクト設計で、段積保管が可能(2台まで)です。
●吸込側はマルチ仕様です(前全面の全てを吸込とする仕様と、ダクトを接続し吸込とする仕様の両方が可能です)。
使用上のご注意
安全にご使用いただくために
●本製品は乾燥粉塵対象です。ご使用にあたっては取扱説明書をよくお読みのうえ、正しくお使いください。
●次の物質は吸引しないでください。
・引火性物質 ガソリン・シンナー・ベンジン・灯油・塗料など
・爆発性粉塵 アルミニウム・マグネシウム・チタン・亜鉛・エポキシなど
・可燃性粉塵 カーボンブラック・コークス・ゴム・硫黄・塗料・ポリエチレン・
フェノール樹脂・小麦・砂糖・ココア・米ぬかなど
・火花 火花・および火花を含む粉塵
・火種 たばこの吸いがら・灰など
・その他 水・油・薬品などの液体・ヒューム
●引火性・爆発性・腐食性物質の霧・煙・ガスが滞留している場所や、これらの付近で使用しないでください。
●感電防止のため必ずアースを接続してください。
●配管は粉塵のたまりがないように垂れさがりがなく集塵条件に合わせて最適な配管径で最短距離となるように設置してください。
●集塵機の設置環境、およびこれらに集塵した粉塵には高濃度の有害物質が存在する可能性があります。保守点検、およびフィルタ交換等をおこなう場合には、適正な保護具の着用・粉塵飛散防止措置等をしてください。
●交換済みフィルタ・粉塵等は、関連法規に従って適正に廃棄してください。
負圧除塵装置 MDFU-7Z(S)
|
|
超微細な石綿粉塵の発生するリフォーム工事や補修工事、大型機械の入らない天井裏などに持ち運び使用可能な、高性能小型装置です。 |
特長
●JIS Z8122適合のHEPAフィルタ(0.3μm粒子で99.97%以上)の採用で、捕集効率を大きくアップ。
●単相100V電源で使用可能。
●フィルタの目詰まり状況を検知するためにマノメータを内蔵、交換時期を数値で表示し、メンテナンスを容易にしました。
●排気ダクトは150φと300φのマルチ仕様です。
●超軽量、超コンパクト設計です。
使用上のご注意
安全にご使用いただくために
●本製品は乾燥粉塵対象です。ご使用にあたっては取扱説明書をよくお読みのうえ、正しくお使いください。
●次の物質は吸引しないでください。
・引火性物質 ガソリン・シンナー・ベンジン・灯油・塗料など
・爆発性粉塵 アルミニウム・マグネシウム・チタン・亜鉛・エポキシなど
・可燃性粉塵 カーボンブラック・コークス・ゴム・硫黄・塗料・ポリエチレン・
フェノール樹脂・小麦・砂糖・ココア・米ぬかなど
・火花 火花・および火花を含む粉塵
・火種 たばこの吸いがら・灰など
・その他 水・油・薬品などの液体・ヒューム
●引火性・爆発性・腐食性物質の霧・煙・ガスが滞留している場所や、これらの付近で使用しないでください。
●感電防止のため必ずアースを接続してください。
●配管は粉塵のたまりがないように垂れさがりがなく集塵条件に合わせて最適な配管径で最短距離となるように設置してください。
●集塵機の設置環境、およびこれらに集塵した粉塵には高濃度の有害物質が存在する可能性があります。保守点検、およびフィルタ交換等をおこなう場合には、適正な保護具の着用・粉塵飛散防止措置等をしてください。
●交換済みフィルタ・粉塵等は、関連法規に従って適正に廃棄してください。
負圧集塵排気装置の設置稼働について
常時負圧を保つことができる排気風量とは、目安として15分に1回以上の施工区画内容積の空気置き換えができる風量であり、これ以上の能力を持つ排気装置を設置することが必要である。施工区画を負圧にするのに必要な排気風量は、次に示す計算から求め、必要な能力を有する排気装置を設置するものとする。
●施工区画内を負圧にするのに必要な排気風量を求める
施工区画内の容積(m3)÷15分(min)=必要風量(m3/min)
●排気風量を確保するために必要な排気装置(排気能力)と台数を求める
排気装置1台あたりの排気能力(m3/min)×台数=排気能力(m3/min)
●排気装置の排気能力が必要な風量を満たしているか確認し、設置する排気装置を決定する
必要風量(m3/min)≦排気能力(m3/min)
参考文献:環境省「建築物の解体等に係わる石綿飛散防止対策マニュアル」
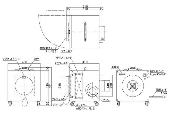
外形図


仕様
| 商品コード | TEA 40480 001 |
|---|---|
| 型式 | MDFU-33Z(S) |
| 周波数 | 50/60Hz兼用 |
| 処理風量 | 33.5/42.1m3/min |
| ファン | 最大風量:40/48m3/min |
| 0.4kW×1台 | |
| HEPAフィルタ | 0.3μmにて 99.97%以上 JIS Z8122適合品 |
| 610×610×290t[mm]×1個(多風量型) | |
| 定格風量:56m3 合板枠+アルミセパレータ | |
| 2次フィルタ | 合成繊維不織布 比色法30% |
| 594×594×45t[mm]×1枚 フィルタ枠:紙 | |
| プレフィルタ | 合成繊維不織布 重量法82% |
| 610×610×25t[mm]×1枚 フィルタ枠:アルミ | |
| ケーシング | 鋼板製メラミン樹脂焼付塗装仕上 |
| 操作スイッチ | ファン運転スイッチ(強-弱-切) |
| 付属品 | 差圧計(HEPAフィルタ用) |
| キャスター(φ100自在ストッパ付き×2個、固定×2個) | |
| 電源 | AC100V-1φ |
| 外形寸法 | L 1,225×W 700×H 844mm |
| 質量 | 約135kg |
| 商品コード | TEA 05070 001 |
|---|---|
| 型式 | MDFU-7Z(S) |
| 周波数 | 50/60Hz兼用 |
| 処理風量 | 5/7m3/min |
| HEPAフィルタ | 0.3μmにて 99.97%以上 JIS Z8122適合品 |
| 350×350×100t[mm]×1個(多風量型) | |
| 2次フィルタ | 合成繊維不織布 重量法76% |
| 350×350×15t[mm]×1枚 フィルタ枠:アルミ | |
| プレフィルタ | 合成繊維不織布 重量法63% |
| 280×280×10t[mm]×1枚 フィルタ枠:アルミ | |
| ファン | 60W×1台 |
| ケーシング | 鋼板製メラミン樹脂焼付塗装仕上 |
| 操作スイッチ | ファン運転スイッチ(強弱切替無・照光式) |
| 付属品 | 差圧計(HEPAフィルタ用) |
| キャスター、取手 | |
| 塗装色 | シルバー/グリーン |
| 電源 | AC100V-1φ |
| 外形寸法 | L 535×W 450×H 531mm |
| 質量 | 約25kg |
資料
| 商品コード | TEA 40480 001 | TEA 05070 001 |
|---|---|---|
| 型式 | MDFU-33Z(S) | MDFU-7Z(S) |
| 取扱説明書 | ||
| 寸法・外形図 |
■資料を保存する場合はアイコンを右クリックし「対象をファイルに保存」を選択してください。


